RAM (Random Access Memory) is a very important component for your laptop and computer performance. It allows you to run many program at one (multitask) without lagging and delay. Imagine the RAM as a table for your workspace, the bigger workspace means you can have multiple items on the table instead of small workspace allows limited items on the table. 
It is not difficult to upgrade your laptop RAM, you just need to get a screwdriver or a small knife will do. Before start, you need to remove power chord and battery and also remove anything that attach to it such as USB Mouse and headphone.
1. First loosen the screw on the RAM compartment.
2. Open it and you will see your RAM right away.
2. Most laptop have 2 RAM slots, if you own an old laptop you might see only one slot.
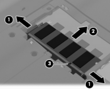
3. Pull the retention clip (1) and the RAM will tilts up(2) and pull it up to remove it from the slot(3). Make sure you don't touch the Golden part with your hand.
4. Now take your new RAM and press it at the memory slot (45 Degree angle) until it seated properly.
5. Press the RAM down until you hear a snap sound.
6. Now close the cover and we are done.
The ram slot and ram cover will be different base on your laptop model. Example most Compaq laptop (like picture above) have a very small cover while Acer laptop such as Extensa 4920 have a very large memory module cover.
Things you need to know Before Buying the RAM or Upgrade and Replacement
1. Make sure you use right RAM type such as DDR2 and DDR3. Most current Laptop use DDR3. You can identify your RAM by looking at the RAM itself and I always advice my friend to pull out one RAM, go to the store and show the RAM so they can give you right RAM for your laptop.
2. If you are using 2 RAM slots. The best practice it to use the same RAM for both slots such as 4GB(amount) DDR3(type) 1333Mhz(clock) x 2 slots.
3. Know your RAM limits. You laptop do have limit on how much RAM you can put on them. If you use 4GB x 2slots = 8GB total, but your laptop will read only 4GB if it only support up to 4GB of RAM.
Memory Limits depend on Operating System
Each operating system does have limit, depend on your operating system you should plan your upgrade properly. If you installed more than what it do support,you computer will boot up properly and it will show a message like this : 8GB installed memory (4GB Usable). Here is example for Windows 7, you can get all windows memory limits here.
It is not difficult to upgrade your laptop RAM, you just need to get a screwdriver or a small knife will do. Before start, you need to remove power chord and battery and also remove anything that attach to it such as USB Mouse and headphone.
1. First loosen the screw on the RAM compartment.
2. Open it and you will see your RAM right away.
2. Most laptop have 2 RAM slots, if you own an old laptop you might see only one slot.
3. Pull the retention clip (1) and the RAM will tilts up(2) and pull it up to remove it from the slot(3). Make sure you don't touch the Golden part with your hand.
4. Now take your new RAM and press it at the memory slot (45 Degree angle) until it seated properly.
5. Press the RAM down until you hear a snap sound.
6. Now close the cover and we are done.
The ram slot and ram cover will be different base on your laptop model. Example most Compaq laptop (like picture above) have a very small cover while Acer laptop such as Extensa 4920 have a very large memory module cover.
Things you need to know Before Buying the RAM or Upgrade and Replacement
1. Make sure you use right RAM type such as DDR2 and DDR3. Most current Laptop use DDR3. You can identify your RAM by looking at the RAM itself and I always advice my friend to pull out one RAM, go to the store and show the RAM so they can give you right RAM for your laptop.
2. If you are using 2 RAM slots. The best practice it to use the same RAM for both slots such as 4GB(amount) DDR3(type) 1333Mhz(clock) x 2 slots.
3. Know your RAM limits. You laptop do have limit on how much RAM you can put on them. If you use 4GB x 2slots = 8GB total, but your laptop will read only 4GB if it only support up to 4GB of RAM.
Memory Limits depend on Operating System
Each operating system does have limit, depend on your operating system you should plan your upgrade properly. If you installed more than what it do support,you computer will boot up properly and it will show a message like this : 8GB installed memory (4GB Usable). Here is example for Windows 7, you can get all windows memory limits here.
| Version | Limit on X86 | Limit on X64 | 
|---|---|---|
| Windows 7 Ultimate | 4 GB | 192 GB | 
| Windows 7 Enterprise | 4 GB | 192 GB | 
| Windows 7 Professional | 4 GB | 192 GB | 
| Windows 7 Home Premium | 4 GB | 16 GB | 
| Windows 7 Home Basic | 4 GB | 8 GB | 
| Windows 7 Starter | 2 GB | N/A | 


Comments
Post a Comment